Orders Logout

Media Picture ID Case Number Case Name From Is Liked Status Created Changed Type
3255 Fonus transport 103
christian.ronnhult@fonus.se
2022-04-13 13:48:46 2022-04-13 13:48:47
3254 Fonus transport 103
christian.ronnhult@fonus.se
2022-04-13 13:46:49 2022-04-13 13:46:51
3253 Fonus Begr Begr
kristianstad@fonus.se
2022-04-13 12:02:29 2022-04-13 12:02:37
3252 Fonus Begr Begr
kristianstad@fonus.se
2022-04-13 11:59:30 2022-04-13 11:59:40
3251 Fonus Begr Begr
kristianstad@fonus.se
2022-04-13 11:58:20 2022-04-13 11:58:29
3250 Fonus Begr Begr
kristianstad@fonus.se
2022-04-13 11:56:53 2022-04-13 11:57:06
3249 Fonus Begr Begr
kristianstad@fonus.se
2022-04-13 11:55:35 2022-04-13 11:55:43
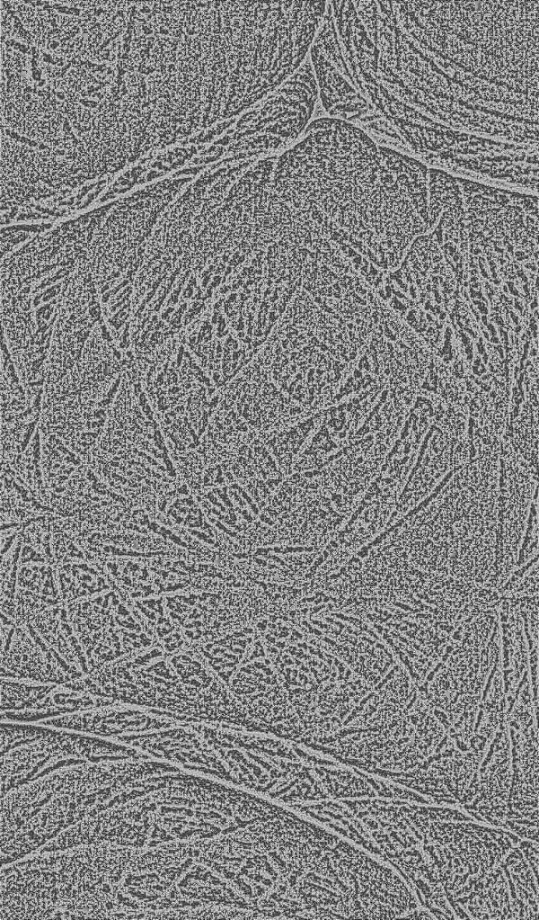
Picture ID: 3255
Case Number: 402472
Case Name: Karl-Fredrik Ulfsparre
From: Fonus transport 103 christian.ronnhult@fonus.se
Status:
Created: 2022-04-13 13:48:46
Changed: 2022-04-13 13:48:47
Type: Left Fingerprint
Picture ID: 3254
Case Number: 402472
Case Name: Karl-Fredrik Ulfsparre
From: Fonus transport 103 christian.ronnhult@fonus.se
Status:
Created: 2022-04-13 13:46:49
Changed: 2022-04-13 13:46:51
Type: Left Fingerprint
Picture ID: 3253
Case Number: 401820
Case Name: Anita Davlén
From: Fonus Begr Begr kristianstad@fonus.se
Status:
Created: 2022-04-13 12:02:29
Changed: 2022-04-13 12:02:37
Type: Left Fingerprint
Picture ID: 3252
Case Number: 401820
Case Name: Anita Davlén
From: Fonus Begr Begr kristianstad@fonus.se
Status:
Created: 2022-04-13 11:59:30
Changed: 2022-04-13 11:59:40
Type: Left Fingerprint
Picture ID: 3251
Case Number: 401820
Case Name: Anita Davlén
From: Fonus Begr Begr kristianstad@fonus.se
Status:
Created: 2022-04-13 11:58:20
Changed: 2022-04-13 11:58:29
Type: Left Fingerprint
Picture ID: 3250
Case Number: 401820
Case Name: Anita Davlén
From: Fonus Begr Begr kristianstad@fonus.se
Status:
Created: 2022-04-13 11:56:53
Changed: 2022-04-13 11:57:06
Type: Left Fingerprint
Picture ID: 3249
Case Number: 401820
Case Name: Anita Davlén
From: Fonus Begr Begr kristianstad@fonus.se
Status:
Created: 2022-04-13 11:55:35
Changed: 2022-04-13 11:55:43
Type: Left Fingerprint