Orders Logout

Media Picture ID Case Number Case Name From Is Liked Status Created Changed Type
1414 Therése Eriksson
gotland@begravningab.se
2020-12-11 08:15:57 2020-12-11 08:15:59
1413 Therése Eriksson
gotland@begravningab.se
2020-12-11 08:14:07 2020-12-11 08:14:09
1412 Therése Eriksson
gotland@begravningab.se
2020-12-11 08:09:40 2020-12-11 08:09:42
1411 Fonus Begravning Begravning
visby@fonus.se
2020-12-10 13:42:43 2020-12-10 13:42:55
1410 Therése Eriksson
gotland@begravningab.se
2020-12-10 08:56:51 2020-12-10 08:56:53
1409 Fonus Begravning Begravning
transport.goteborg@fonus.se
2020-12-10 08:30:53 2020-12-10 08:30:56
1408 Eva-Lena Schönberg
evalena.schonberg@fonus.se
2020-12-09 15:33:38 2020-12-09 15:34:56
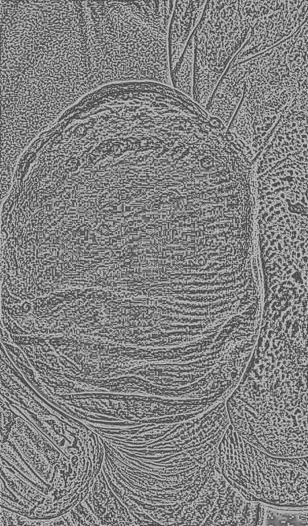
Picture ID: 1414
Case Number: 410813
Case Name: ingrid johansson
From: Therése Eriksson gotland@begravningab.se
Status:
Created: 2020-12-11 08:15:57
Changed: 2020-12-11 08:15:59
Type: Left Fingerprint
Picture ID: 1413
Case Number: 410813-3200
Case Name: ingrid johansson
From: Therése Eriksson gotland@begravningab.se
Status:
Created: 2020-12-11 08:14:07
Changed: 2020-12-11 08:14:09
Type: Left Fingerprint
Picture ID: 1412
Case Number: 4108133200
Case Name: Ingrid Johansson
From: Therése Eriksson gotland@begravningab.se
Status:
Created: 2020-12-11 08:09:40
Changed: 2020-12-11 08:09:42
Type: Left Fingerprint
Picture ID: 1411
Case Number: 349778
Case Name: tommy steijner
From: Fonus Begravning Begravning visby@fonus.se
Status:
Created: 2020-12-10 13:42:43
Changed: 2020-12-10 13:42:55
Type: Left Fingerprint
Picture ID: 1410
Case Number: 4108133200
Case Name: Ingrid Johansson
From: Therése Eriksson gotland@begravningab.se
Status:
Created: 2020-12-10 08:56:51
Changed: 2020-12-10 08:56:53
Type: Left Fingerprint
Picture ID: 1409
Case Number: anne-lie linde
Case Name: 349837
From: Fonus Begravning Begravning transport.goteborg@fonus.se
Status:
Created: 2020-12-10 08:30:53
Changed: 2020-12-10 08:30:56
Type: Left Fingerprint
Picture ID: 1408
Case Number:
Case Name:
From: Eva-Lena Schönberg evalena.schonberg@fonus.se
Status:
Created: 2020-12-09 15:33:38
Changed: 2020-12-09 15:34:56
Type: Left Fingerprint