Orders Logout

Media Picture ID Case Number Case Name From Is Liked Status Created Changed Type
5342 Fonus Örebro Örebro
orebro@fonus.se
2023-06-28 15:53:06 2023-06-28 15:53:08
5341 Fonus Transport Sthlm Transport
expeditionen.sthlm@fonus.se
2023-06-28 13:40:42 2023-06-28 13:40:45
5340 Fonus Örnsköldsvik
ornskoldsvik@fonus.se
2023-06-28 10:14:51 2023-06-28 10:14:56
5339 Fonus Begr Begr
malmo@fonus.se
2023-06-28 10:10:16 2023-06-28 10:10:19
5338 Fonus Begr Begr
malmo@fonus.se
2023-06-28 10:05:04 2023-06-28 10:05:06
5337 Fonus Örnsköldsvik
ornskoldsvik@fonus.se
2023-06-27 16:01:50 2023-06-27 16:01:53
5336 Fonus Transport Sthlm Transport
expeditionen.sthlm@fonus.se
2023-06-27 14:58:21 2023-06-27 14:58:28
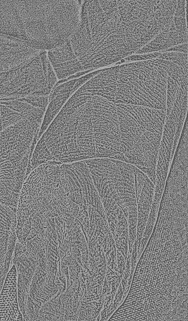
Picture ID: 5342
Case Number: 449843
Case Name: Stefan Johansson
From: Fonus Örebro Örebro orebro@fonus.se
Status:
Created: 2023-06-28 15:53:06
Changed: 2023-06-28 15:53:08
Type: Left Fingerprint
Picture ID: 5341
Case Number: 450273
Case Name: sol-britt pettersson
From: Fonus Transport Sthlm Transport expeditionen.sthlm@fonus.se
Status:
Created: 2023-06-28 13:40:42
Changed: 2023-06-28 13:40:45
Type: Left Fingerprint
Picture ID: 5340
Case Number: 451193
Case Name: harald Laserud
From: Fonus Örnsköldsvik ornskoldsvik@fonus.se
Status:
Created: 2023-06-28 10:14:51
Changed: 2023-06-28 10:14:56
Type: Left Fingerprint
Picture ID: 5339
Case Number: 451462
Case Name: Lars Svensson
From: Fonus Begr Begr malmo@fonus.se
Status:
Created: 2023-06-28 10:10:16
Changed: 2023-06-28 10:10:19
Type: Left Fingerprint
Picture ID: 5338
Case Number: 451462
Case Name: Lars Svensson
From: Fonus Begr Begr malmo@fonus.se
Status:
Created: 2023-06-28 10:05:04
Changed: 2023-06-28 10:05:06
Type: Left Fingerprint
Picture ID: 5337
Case Number: 451193
Case Name: Harald Laserud
From: Fonus Örnsköldsvik ornskoldsvik@fonus.se
Status:
Created: 2023-06-27 16:01:50
Changed: 2023-06-27 16:01:53
Type: Left Fingerprint
Picture ID: 5336
Case Number: airi korhonen
Case Name: airi korhonen
From: Fonus Transport Sthlm Transport expeditionen.sthlm@fonus.se
Status:
Created: 2023-06-27 14:58:21
Changed: 2023-06-27 14:58:28
Type: Left Fingerprint