Orders Logout

Media Picture ID Case Number Case Name From Is Liked Status Created Changed Type
5328 Fonus Begr Begr
ystad@fonus.se
2023-06-27 10:12:32 2023-06-27 10:12:34
5327 Fonus Begr Begr
ystad@fonus.se
2023-06-27 10:10:54 2023-06-27 10:10:56
5326 Fonus Begr Begr
ystad@fonus.se
2023-06-27 10:08:11 2023-06-27 10:08:13
5325 Fonus Begr Begr
ystad@fonus.se
2023-06-27 10:04:01 2023-06-27 10:04:03
5324 Fonus Begr Begr
ystad@fonus.se
2023-06-27 10:00:51 2023-06-27 10:00:53
5323 Fonus Transport Sthlm Transport
expeditionen.sthlm@fonus.se
2023-06-27 09:17:10 2023-06-27 09:17:20
5322 Fonus Transport Sthlm Transport
expeditionen.sthlm@fonus.se
2023-06-27 09:16:10 2023-06-27 09:16:21
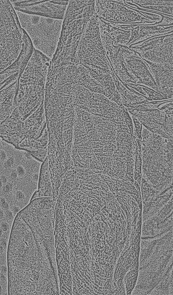
Picture ID: 5328
Case Number: 450667
Case Name: Stig Svensson
From: Fonus Begr Begr ystad@fonus.se
Status:
Created: 2023-06-27 10:12:32
Changed: 2023-06-27 10:12:34
Type: Left Fingerprint
Picture ID: 5327
Case Number: 450667
Case Name: Stig Svensson
From: Fonus Begr Begr ystad@fonus.se
Status:
Created: 2023-06-27 10:10:54
Changed: 2023-06-27 10:10:56
Type: Left Fingerprint
Picture ID: 5326
Case Number: 450667
Case Name: Stig Svensson
From: Fonus Begr Begr ystad@fonus.se
Status:
Created: 2023-06-27 10:08:11
Changed: 2023-06-27 10:08:13
Type: Left Fingerprint
Picture ID: 5325
Case Number: 450667
Case Name: Stig Svensson
From: Fonus Begr Begr ystad@fonus.se
Status:
Created: 2023-06-27 10:04:01
Changed: 2023-06-27 10:04:03
Type: Left Fingerprint
Picture ID: 5324
Case Number:
Case Name:
From: Fonus Begr Begr ystad@fonus.se
Status:
Created: 2023-06-27 10:00:51
Changed: 2023-06-27 10:00:53
Type: Left Fingerprint
Picture ID: 5323
Case Number: airi korhonen 450394
Case Name: airi korhonen 450394
From: Fonus Transport Sthlm Transport expeditionen.sthlm@fonus.se
Status:
Created: 2023-06-27 09:17:10
Changed: 2023-06-27 09:17:20
Type: Left Fingerprint
Picture ID: 5322
Case Number: airi korhonen 450394
Case Name: airi korhonen 450394
From: Fonus Transport Sthlm Transport expeditionen.sthlm@fonus.se
Status:
Created: 2023-06-27 09:16:10
Changed: 2023-06-27 09:16:21
Type: Left Fingerprint