Orders Logout

Media Picture ID Case Number Case Name From Is Liked Status Created Changed Type
5227 Fonus Begravning Begravning
transport.goteborg@fonus.se
2023-06-01 14:06:37 2023-06-01 14:06:50
5226 Fonus Begravning Begravning
transport.goteborg@fonus.se
2023-06-01 14:04:22 2023-06-01 14:04:29
5225 Fonus Begravning Begravning
transport.goteborg@fonus.se
2023-06-01 08:31:33 2023-06-01 08:31:58
5224 Fonus Örnsköldsvik
ornskoldsvik@fonus.se
2023-05-31 15:23:38 2023-05-31 15:23:46
5223 Fonus Örnsköldsvik
ornskoldsvik@fonus.se
2023-05-31 15:19:14 2023-05-31 15:19:19
5222 Fonus Begravning Begravning
kramfors@fonus.se
2023-05-31 13:04:42 2023-05-31 13:05:12
5221 Fonus Begr Begr
boras@fonus.se
2023-05-31 10:52:53 2023-05-31 10:53:13
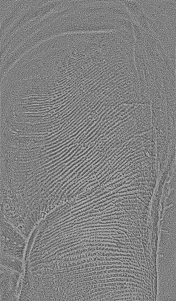
Picture ID: 5227
Case Number: 447042
Case Name: emelie
From: Fonus Begravning Begravning transport.goteborg@fonus.se
Status:
Created: 2023-06-01 14:06:37
Changed: 2023-06-01 14:06:50
Type: Left Fingerprint
Picture ID: 5226
Case Number: 447043
Case Name: emelie
From: Fonus Begravning Begravning transport.goteborg@fonus.se
Status:
Created: 2023-06-01 14:04:22
Changed: 2023-06-01 14:04:29
Type: Left Fingerprint
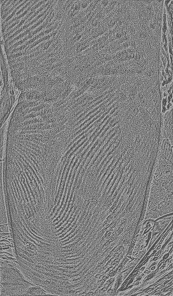
Picture ID: 5225
Case Number: 447042
Case Name: emelie lindström
From: Fonus Begravning Begravning transport.goteborg@fonus.se
Status:
Created: 2023-06-01 08:31:33
Changed: 2023-06-01 08:31:58
Type: Left Fingerprint
Picture ID: 5224
Case Number: 446959
Case Name: peter jonsson
From: Fonus Örnsköldsvik ornskoldsvik@fonus.se
Status:
Created: 2023-05-31 15:23:38
Changed: 2023-05-31 15:23:46
Type: Left Fingerprint
Picture ID: 5223
Case Number: 446959
Case Name: peter Jonsson
From: Fonus Örnsköldsvik ornskoldsvik@fonus.se
Status:
Created: 2023-05-31 15:19:14
Changed: 2023-05-31 15:19:19
Type: Left Fingerprint
Picture ID: 5222
Case Number: tellus id 446902
Case Name: björn wall
From: Fonus Begravning Begravning kramfors@fonus.se
Status:
Created: 2023-05-31 13:04:42
Changed: 2023-05-31 13:05:12
Type: Left Fingerprint
Picture ID: 5221
Case Number: joel n
Case Name: joel n
From: Fonus Begr Begr boras@fonus.se
Status:
Created: 2023-05-31 10:52:53
Changed: 2023-05-31 10:53:13
Type: Left Fingerprint