Orders Logout

Media Picture ID Case Number Case Name From Is Liked Status Created Changed Type
5057 Fonus Begr Begr
malmo@fonus.se
2023-05-09 10:59:41 2023-05-09 10:59:47
5056 Melker Löfgren
melker@eternalmemory.se
2023-05-09 08:20:31 2023-05-09 08:20:34
5055 Fonus Umeå
umea@fonus.se
2023-05-08 10:55:23 2023-05-08 10:55:25
5054 Fonus Umeå
umea@fonus.se
2023-05-08 10:51:01 2023-05-08 10:51:11
5053 Fonus Umeå
umea@fonus.se
2023-05-08 10:47:20 2023-05-08 10:47:23
5052 Fonus Transport dalarna Transport
transport.dalarna@fonus.se
2023-05-08 10:36:27 2023-05-08 10:36:32
5051 Fonus Umeå
umea@fonus.se
2023-05-08 10:33:06 2023-05-08 10:33:08
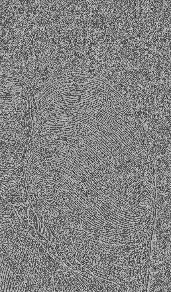
Picture ID: 5057
Case Number: 445963
Case Name: Lars-Åke Palm.. 19470321-4074
From: Fonus Begr Begr malmo@fonus.se
Status:
Created: 2023-05-09 10:59:41
Changed: 2023-05-09 10:59:47
Type: Left Fingerprint
Picture ID: 5056
Case Number: 438095
Case Name: Attila Marmarosi
From: Melker Löfgren melker@eternalmemory.se
Status:
Created: 2023-05-09 08:20:31
Changed: 2023-05-09 08:20:34
Type: Handwriting
Picture ID: 5055
Case Number: josephine wiktorsson
Case Name: 445087
From: Fonus Umeå umea@fonus.se
Status:
Created: 2023-05-08 10:55:23
Changed: 2023-05-08 10:55:25
Type: Left Fingerprint
Picture ID: 5054
Case Number: josephine wiktorsson
Case Name: 445087
From: Fonus Umeå umea@fonus.se
Status:
Created: 2023-05-08 10:51:01
Changed: 2023-05-08 10:51:11
Type: Left Fingerprint
Picture ID: 5053
Case Number: josephine wiktorsson
Case Name: 445087
From: Fonus Umeå umea@fonus.se
Status:
Created: 2023-05-08 10:47:20
Changed: 2023-05-08 10:47:23
Type: Left Fingerprint
Picture ID: 5052
Case Number: 444564
Case Name: Airi Heikkinen
From: Fonus Transport dalarna Transport transport.dalarna@fonus.se
Status:
Created: 2023-05-08 10:36:27
Changed: 2023-05-08 10:36:32
Type: Left Fingerprint
Picture ID: 5051
Case Number: josephine wiktorsson
Case Name: 445087
From: Fonus Umeå umea@fonus.se
Status:
Created: 2023-05-08 10:33:06
Changed: 2023-05-08 10:33:08
Type: Left Fingerprint