Orders Logout

Media Picture ID Case Number Case Name From Is Liked Status Created Changed Type
4011 Fonus Begr Begr
malmo@fonus.se
2022-10-12 14:10:56 2022-10-12 14:11:17
4010 jamjo amoria
jamjo@amoria.se
2022-10-12 13:38:26 2022-10-12 13:38:30
4009 jamjo amoria
jamjo@amoria.se
2022-10-12 13:35:10 2022-10-12 13:35:14
4008 Fonus Begr Begr
kristianstad@fonus.se
2022-10-12 09:55:58 2022-10-12 09:57:07
4007 Fonus Begr Begr
kristianstad@fonus.se
2022-10-12 09:55:00 2022-10-12 09:55:08
4006 Fonus Begr Begr
kristianstad@fonus.se
2022-10-12 09:50:57 2022-10-12 09:51:14
4005 Fonus Begravning Begravning
uppsala@fonus.se
2022-10-10 14:43:31 2022-10-10 14:44:12
Picture ID: 4011
Case Number: 421093
Case Name: Filip Viklund 20220922-0413
From: Fonus Begr Begr malmo@fonus.se
Status:
Created: 2022-10-12 14:10:56
Changed: 2022-10-12 14:11:17
Type: Hand & Footprint
Picture ID: 4010
Case Number: 48022107 ( Bild 2 )
Case Name: Vujica Miletic / 19530829-1870
From: jamjo amoria jamjo@amoria.se
Status:
Created: 2022-10-12 13:38:26
Changed: 2022-10-12 13:38:30
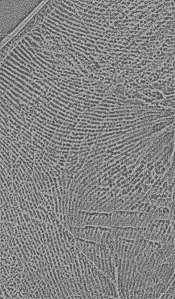
Type: Left Fingerprint
Picture ID: 4009
Case Number: 48022107 ( Bild 1 )
Case Name: Vujica Miletic / 19530829-1870
From: jamjo amoria jamjo@amoria.se
Status:
Created: 2022-10-12 13:35:10
Changed: 2022-10-12 13:35:14
Type: Left Fingerprint
Picture ID: 4008
Case Number: 420596
Case Name: 420596
From: Fonus Begr Begr kristianstad@fonus.se
Status:
Created: 2022-10-12 09:55:58
Changed: 2022-10-12 09:57:07
Type: Left Fingerprint
Picture ID: 4007
Case Number: 420596
Case Name: 420596
From: Fonus Begr Begr kristianstad@fonus.se
Status:
Created: 2022-10-12 09:55:00
Changed: 2022-10-12 09:55:08
Type: Left Fingerprint
Picture ID: 4006
Case Number: 420596
Case Name: Pontus Jönsson
From: Fonus Begr Begr kristianstad@fonus.se
Status:
Created: 2022-10-12 09:50:57
Changed: 2022-10-12 09:51:14
Type: Left Fingerprint
Picture ID: 4005
Case Number: 421538
Case Name: 19600123-7871
From: Fonus Begravning Begravning uppsala@fonus.se
Status:
Created: 2022-10-10 14:43:31
Changed: 2022-10-10 14:44:12
Type: Left Fingerprint