Orders Logout

Media Picture ID Case Number Case Name From Is Liked Status Created Changed Type
3437 Fonus begr
skovde@fonus.se
2022-05-23 10:37:11 2022-05-23 10:37:17
3436 Fonus begr
skovde@fonus.se
2022-05-23 10:36:21 2022-05-23 10:36:25
3435 Fonus begr
skovde@fonus.se
2022-05-23 10:35:36 2022-05-23 10:35:40
3434 Fonus Begravning Begravning
harnosand@fonus.se
2022-05-20 15:05:18 2022-05-20 15:05:20
3433 Fonus Transport Sthlm Transport
expeditionen.sthlm@fonus.se
2022-05-20 09:55:46 2022-05-20 09:56:14
3432 Fonus Begravning Begravning
hudiksvall@fonus.se
2022-05-19 11:13:51 2022-05-19 11:13:57
3431 Fonus Transport Sthlm Transport
expeditionen.sthlm@fonus.se
2022-05-19 10:05:11 2022-05-19 10:05:20
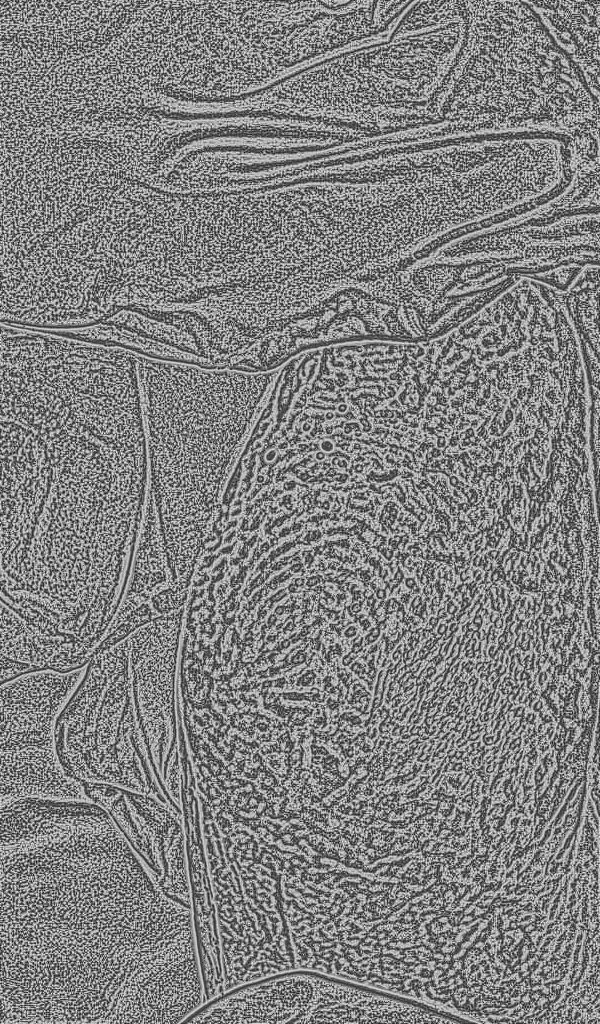
Picture ID: 3437
Case Number: 406517
Case Name: ulla-Stina tibblin
From: Fonus begr skovde@fonus.se
Status:
Created: 2022-05-23 10:37:11
Changed: 2022-05-23 10:37:17
Type: Left Fingerprint
Picture ID: 3436
Case Number: 406516
Case Name: ulla-stina tibblin
From: Fonus begr skovde@fonus.se
Status:
Created: 2022-05-23 10:36:21
Changed: 2022-05-23 10:36:25
Type: Left Fingerprint
Picture ID: 3435
Case Number: 406517
Case Name: Ulla-stina tibblin
From: Fonus begr skovde@fonus.se
Status:
Created: 2022-05-23 10:35:36
Changed: 2022-05-23 10:35:40
Type: Left Fingerprint
Picture ID: 3434
Case Number: Gunvor Pettersson
Case Name: 405676
From: Fonus Begravning Begravning harnosand@fonus.se
Status:
Created: 2022-05-20 15:05:18
Changed: 2022-05-20 15:05:20
Type: Left Fingerprint
Picture ID: 3433
Case Number: marina bureeva 670704-0389
Case Name: marina bureeva 406961
From: Fonus Transport Sthlm Transport expeditionen.sthlm@fonus.se
Status:
Created: 2022-05-20 09:55:46
Changed: 2022-05-20 09:56:14
Type: Left Fingerprint
Picture ID: 3432
Case Number: 406985
Case Name: Lilli Häggman
From: Fonus Begravning Begravning hudiksvall@fonus.se
Status:
Created: 2022-05-19 11:13:51
Changed: 2022-05-19 11:13:57
Type: Left Fingerprint
Picture ID: 3431
Case Number: 406315
Case Name: Görn Mauritz Eriksson
From: Fonus Transport Sthlm Transport expeditionen.sthlm@fonus.se
Status:
Created: 2022-05-19 10:05:11
Changed: 2022-05-19 10:05:20
Type: Left Fingerprint