Orders Logout

Media Picture ID Case Number Case Name From Is Liked Status Created Changed Type
3416 Fonus Begr Begr
helsingborgnorr@fonus.se
2022-05-17 13:53:59 2022-05-17 13:54:11
3415 Fonus Transport Sthlm Transport
expeditionen.sthlm@fonus.se
2022-05-17 13:47:41 2022-05-17 13:47:45
3414 Fonus Begravning Begravning
transport.goteborg@fonus.se
2022-05-17 13:02:18 2022-05-17 13:02:22
3413 Fonus Begravning Begravning
transport.goteborg@fonus.se
2022-05-17 13:01:28 2022-05-17 13:01:33
3412 Fonus Begravning Begravning
transport.goteborg@fonus.se
2022-05-17 13:00:18 2022-05-17 13:00:22
3411 Familjebyrån Oskarshamn
info@familjebyran.com
2022-05-17 12:17:00 2022-05-17 12:17:05
3410 Familjebyrån Oskarshamn
info@familjebyran.com
2022-05-17 12:15:58 2022-05-17 12:16:01
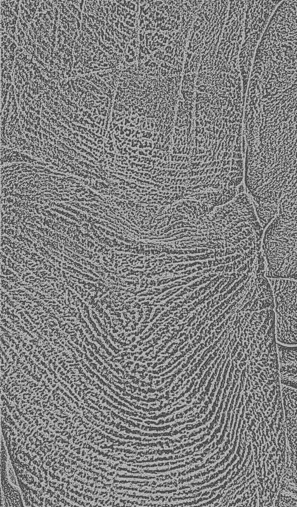
Picture ID: 3416
Case Number: 406542
Case Name: Jan Jönsson
From: Fonus Begr Begr helsingborgnorr@fonus.se
Status:
Created: 2022-05-17 13:53:59
Changed: 2022-05-17 13:54:11
Type: Left Fingerprint
Picture ID: 3415
Case Number: 406409
Case Name: Anghelina Herrera
From: Fonus Transport Sthlm Transport expeditionen.sthlm@fonus.se
Status:
Created: 2022-05-17 13:47:41
Changed: 2022-05-17 13:47:45
Type: Left Fingerprint
Picture ID: 3414
Case Number: 404769
Case Name: wilhelm karlsson
From: Fonus Begravning Begravning transport.goteborg@fonus.se
Status:
Created: 2022-05-17 13:02:18
Changed: 2022-05-17 13:02:22
Type: Left Fingerprint
Picture ID: 3413
Case Number: 404769
Case Name: wilhelm karlsson
From: Fonus Begravning Begravning transport.goteborg@fonus.se
Status:
Created: 2022-05-17 13:01:28
Changed: 2022-05-17 13:01:33
Type: Left Fingerprint
Picture ID: 3412
Case Number: 404769
Case Name: wilhelm karlsson
From: Fonus Begravning Begravning transport.goteborg@fonus.se
Status:
Created: 2022-05-17 13:00:18
Changed: 2022-05-17 13:00:22
Type: Left Fingerprint
Picture ID: 3411
Case Number: 6
Case Name: alexandra axelsson
From: Familjebyrån Oskarshamn info@familjebyran.com
Status:
Created: 2022-05-17 12:17:00
Changed: 2022-05-17 12:17:05
Type: Left Fingerprint
Picture ID: 3410
Case Number: 5
Case Name: alexandra axelsson
From: Familjebyrån Oskarshamn info@familjebyran.com
Status:
Created: 2022-05-17 12:15:58
Changed: 2022-05-17 12:16:01
Type: Left Fingerprint